進口代理PIEZO S118-J1SS-1808Y壓電彎曲傳感器、壓電執行器、壓電薄膜傳感器
Piezoelectric Bending Transducer
尺寸為 2.18 x 0.92 x 0.018 英寸的 PZT 5J 壓電材料,采用單層結構設計,并配有密封式安裝方式。
這種單層材料適用于能量收集和傳感領域,同時也具備出色的諧振驅動器性能。不過,它并不適合需要高輸出力的應用場景。與其它產品不同,該材料并未配備安裝孔和對準孔。
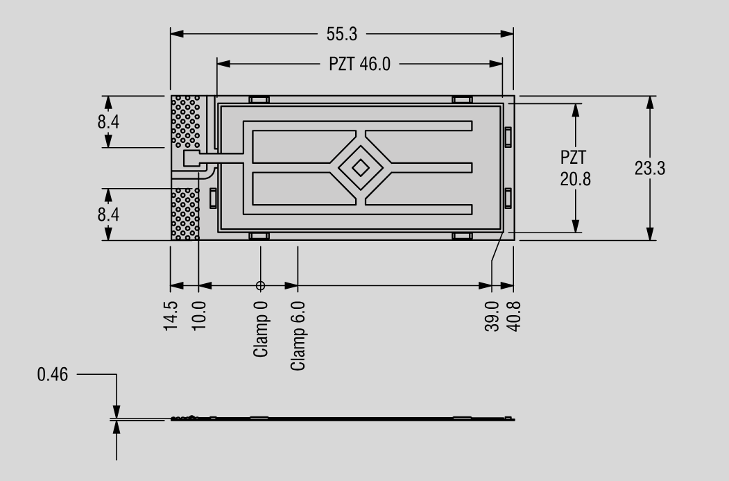
PIEZO S118-J1SS-1808YB 壓電執行器尺寸規格

PIEZO S118-J1SS-1808YB 壓電執行器層次結構技術規格
| 分層材料 | 厚度單位:密耳/毫米 |
| 聚酯纖維 | 2.0 / 0.05 |
| 銅 | 1.4 / 0.03 |
| PZT 5J | 6.0 / 0.15 |
| 304不銹鋼 | 6.0 / 0.15 |
| 聚酰亞胺 | 1.0 / 0.03 |
PIEZO S118-J1SS-1808YB 壓電執行器一般技術規格
| 參數 | 技術規格 |
| 長度(毫米) | 55.4 |
| 寬度(毫米) | 23.4 |
| 厚度(毫米) | 0.46 |
| 溫度范圍 | -60°C至120°C |
| 質量(克) | 2.8 |
| 電容值(納法) | 100 |
| 額定驅動電壓(±V)是在諧振狀態下測得的。 | 120 |
| 自由偏轉量(±毫米) | 0.48 |
| 阻尼力(牛頓) | 0.14 |
| 彈簧剛度(N/mm) | 0.299 |
| 最大振幅(毫米) | 2.0 |
| 共振頻率(赫茲) | 100 |
| 共振時的最大驅動電壓(伏特) | 10.0 |
Harvester /?發生器規格
| 規格 | No tip mass (unloaded) |
| EH諧振頻率 (Hz) | 130 |
| 開路輸出 (+/- Volts/G) | 6 |
| 電阻器負載 (Ohm) | 15700 |
| Power @ Rated G (mW) | 0.7 |
| G rating (+/- G’s) | 8 |
